HDL型电动推杆
发布日期:2017-12-27 09:29:53 访问次数:6573
HDL型电动推杆具有体积小,重量轻,推力大,外观美观等特点。
其中HDL30、40、50采用高强度铝合金材料,行程开关采用磁感应式,反应灵敏。HDL型电动推杆可按客户要求定制推力、行程、速度、电压等,可配伺服电机、步进电机、滚珠丝杆,达到更高的精度要求。
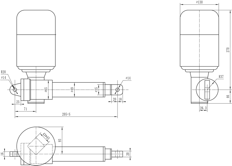
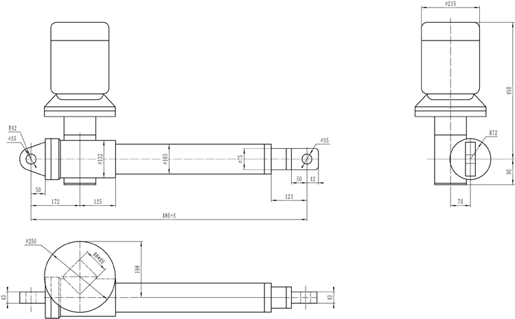
HDL30外型尺寸图

技术参数
推拉力Kgf
行程范围mm
速度mm/S
电机参数KW
130
50-800
82
0.18
180
50-800
41
0.18
250
50-700
20
0.18
300
50-600
10
0.12
350
50-600
6.5
0.12
450
50-500
3.5
0.12
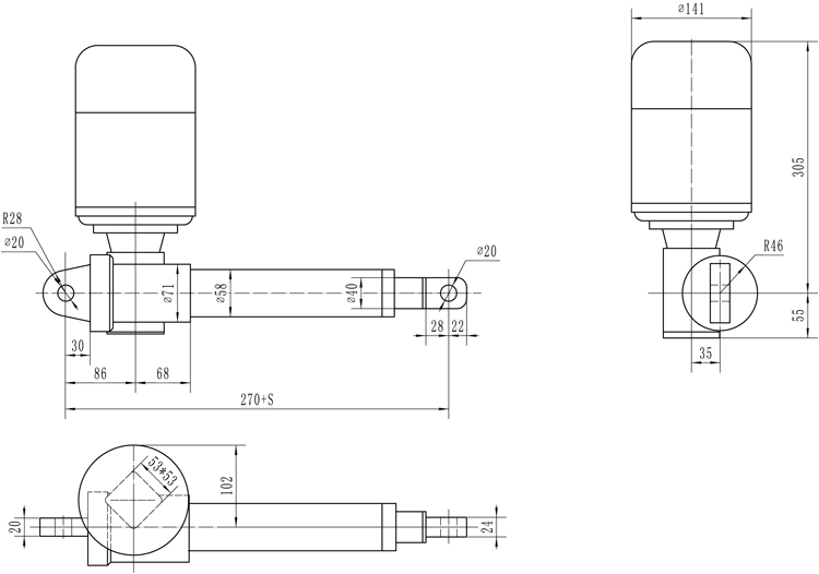
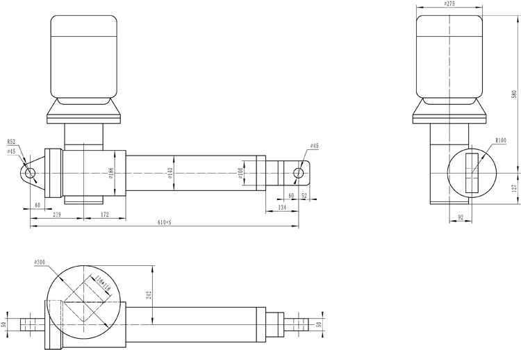
HDL40外型尺寸图

技术参数
推拉力Kgf
行程范围mm
速度mm/S
电机参数KW
250
100-900
94
0.55
350
100-900
63
0.55
400
100-800
41
0.37
500
100-800
26
0.37
600
100-700
13
0.37
800
100-600
9
0.25
1000
100-600
4.5
0.25
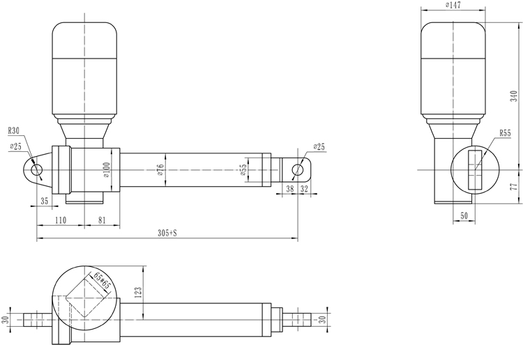
HDL50外型尺寸图

技术参数
推拉力Kgf
行程范围mm
速度mm/S
电机参数KW
400
100-1200
125
1.1
700
100-1200
75
1.1
800
100-1100
60
1.1
1000
100-1100
30
0.75
1300
100-1100
18
0.75
1600
100-1100
12
0.75
2000
100-1000
6
0.75
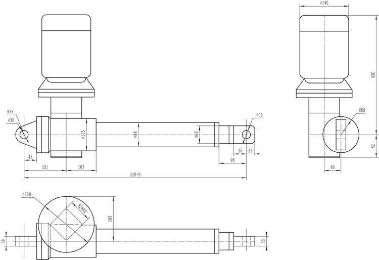
HDL63外型尺寸图

技术参数
推拉力Kgf
行程范围mm
速度mm/S
电机参数KW
1000
100-1500
92
1.5
1300
100-1500
42
1.5
1700
100-1400
30
1.5
2000
100-1400
21
1.5
2300
100-1300
14
1.1
3000
100-1300
7
1.1
3000
100-1300
4.6
1.1
HDL80外型尺寸图

技术参数
推拉力Kgf
行程范围mm
速度mm/S
电机参数KW
2000
200-1800
120
4
3000
200-1800
50
4
3600
200-1600
36
3
4500
200-1600
27
3
5300
200-1500
18
3
6000
200-1500
9
2.2
6300
200-1500
6
2.2
HDL100外型尺寸图

技术参数
推拉力Kgf
行程范围mm
速度mm/S
电机参数KW
4300
200-1800
125
7.5
5000
200-1800
49
5.5
6000
200-1700
28
5.5
7000
200-1700
15
4
8000
200-1600
10
4
10000
200-1600
6.5
4
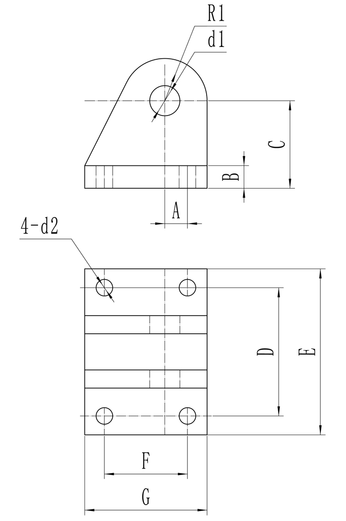
HDL系列支架

HDL安装支架尺寸表
型号
d1
d2
R1
A
B
C
D
E
F
G
HDL30
14
9
20
8
10
40
62
80
32
50
HDL40
20
11
28
15
15
58
85
110
55
81
HDL50
25
13
35
20
16
85
120
150
95
125
HDL63
30
17
42
30
20
100
140
185
105
143
HDL80
35
17
42
30
20
100
140
185
105
143
HDL100
45
26
55
32
35
130
210
278
122
180
上一产品:DG型电动推杆
下一产品:暂无



